Auf dieser Seite stelle ich Modifikationen und Umbauten vor, die einige Eigenschaften der Sinclair-Computer verbessern werden. Für die meisten Aktionen sind gute Kenntnisse in der Elektronik und auch etwas Erfahrung erforderlich, denn obwohl die Spectrum-Computer recht robust sind, kann eine kleine Unachtsamkeit den Computer durchaus beschädigen. Das beginnt bereits beim Öffnen des Gehäuses: Hier sind die Tastaturen grundsätzlich über dünne Folien-Verbindungen angeschlossen, die sehr empfindlich sind. Man sollte also wirklich genau wissen, was man tut - ich hafte nicht für Schäden!

Der ZX Spectrum 48k bietet im Originalzustand nur einen TV-Ausgang zum Anschluss eines Fernsehgerätes über einen UHF-Kanal an. Leider bekommt man damit nur ein mäßiges Bild und bei den heutigen Fernsehgeräten teilweise gar kein brauchbares Bild, somit besteht hier unbedingt Handlungsbedarf.
Eine wesentliche Verbesserung bringt ein Video-Ausgang (FBAS). Das Signal liegt bereits fertig im Spectrum vor und kann direkt am Eingang des Modulators abgegriffen werden. Etwas schwieriger als der elektronische Teil ist hier die mechanische Konstruktion.
Ich habe eine Cinch-Buchse für Platinenmontage verwendet, die Anschlüsse passend gebogen und den Masse-Anschluss seitlich am Modulator-Gehäuse angelötet. Das bringt neben der sicheren
Masse-Verbindung auch eine hohe mechanische Stabilität. Zusätzlich habe ich die Buchse noch mit reichlich Zweikomponenten-Kleber auf der Platine fixiert.
Wenn man vorsichtig arbeitet, dann passt die zusätzliche Buchse sehr gut neben den Modulator.
Eine sehr wichtige Funktion fehlt beim ZX Spectrum: der Reset-Taster. Das liegt nicht daran, dass er ständig abstürzt und neu gestartet werden muss, sondern daran, dass viele Programme (insbesondere Spiele) keine Möglichkeit bieten, ins BASIC-Betriebssystem zurückzukehren. Zwar kann man durch Abschalten der Stromversorgung den Computer neu starten, aber das ist keine gute Lösung.

Ich habe meinen Taster mit Zweikomponenten-Kleber seitlich an den Stromversorgungs-Anschluss geklebt. Der Tastkopf zeigt dabei nach hinten (ist hier leider schlecht zu sehen).
Angeschlossen wird der Taster an Masse (grüner Punkt) und den Reset-Anschluss des Z80 - Pin 26 (roter Punkt). Allerdings muss man aufpassen, denn es gibt verschiedene Platinenversionen, die teilweise extrem unterschiedlich sind, d.h. ein geeigneter Massepunkt muss nicht an der abgebildeten Stelle sein. Im Zweifelsfall kann man den mittleren Anschluss des Spannungsreglers (7805) nehmen.
Das nebenstehende Bild zeigt übrigens eine Issue 4a Platine.

Im Vergleich zum ZX Spectrum bietet der ZX Spectrum 128k bereits serienmäßig einen Video- (FBAS) und einen RGB-Ausgang an. Die zusätzlichen Anschlüsse befinden sich auf einer 8-poligen DIN-Buchse. Wenn man in der glücklichen Lage ist und einen Monitor bzw. ein Fernsehgerät mit RGB-Eingang hat, dann sollte man unbedingt RGB verwenden. Hier ist das Bild am besten.

Hauptsächlich sind dafür zwei Bauteile verantwortlich: D35 und R144 (im Bild rot umrahmt). Diese beiden Bauteile müssen entfernt werden. Es genügt auch das einseitige Auslöten eines Teils oder die Unterbrechung der Verbindung. Nach dieser Aktion zeigt sich ein deutlich besseres Bild.
Warum man diese beiden Bauteile vorgesehen hat, ist mir nicht ganz klar. Die Nachfolge-Modelle (z.B. ZX Spectrum +2) haben diese Teile nicht mehr drin und liefern von Anfang an ein besseres Bild.
Teil 2: Beim ZX Spectrum 128k und allen Nachfolgern wird das Tonsignal von Beeper und Soundchip moduliert und dann zum Videosignal hinzugemischt, damit es über den Modulator
zum TV-Gerät übertragen werden kann. Dies führt leider zu kleinen Störungen im Videobild.
Diese Änderung sollte man allerdings nur dann durchführen, wenn man auf den TV-Ausgang (Modulator) verzichten kann. Hier werden nämlich dann keine Tonsignale mehr übertragen.
Diesen Tipp erhielt ich von Ingo Truppel, an dieser Stelle vielen Dank.Wenn man den ZX Spectrum 128k mittels RGB oder Video/FBAS an einen Monitor anschließt, dann fehlt leider der Ton. Zwar liegen die Tonsignale an der Buchse „MIC“ an, aber das hat zwei Nachteile: Die Tonausgänge sind schlecht abgestimmt, d.h. der Beeper ist recht laut und der Soundchip sehr leise. Außerdem muss man bei der Verwendung eines Kassettenrecorders ständig umstecken.
Hier muss also unbedingt ein vernünftiger Sound-Ausgang nachgerüstet werden. Dafür kann man entweder einen nicht benötigten Anschluss der RGB-Buchse umfunktionieren (z.B. VSYNC an Pin 5) oder aber eine zusätzliche Buchse einbauen.
Ich habe mich für eine zusätzliche Cinch-Buchse entschieden, die sehr gut zwischen RGB-Anschluss und Modulator passt. Auch diese habe ich (wie beim Video-Ausgang des ZX Spectrum) passend gebogen und
mit dem Masse-Anschluss an den Modulator gelötet.
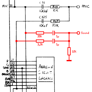
Hier ist die zusätzliche Schaltung in rot zu sehen. Die Widerstände von den beiden Signalquellen (39k und 3,3k) sind so bemessen, dass der Beeper und auch der Soundchip etwa gleich laut sind. Die
beiden Kondensatoren trennen den Gleichspannungsanteil von MIC/EAR und dem Soundchip-Verstärker ab.
Hier ist ein Teil der Hauptplatine des ZX Spectrum 128k zu sehen. An C125 (roter Punkt) habe ich das Soundchip-Signal abgegriffen und an D13 (grüner Punkt) liegt das Beeper/MIC/EAR-Signal an. Am
Modulator-Gehäuse (blauer Punkt) kann man die Masseleitung anlöten. Der Sound-Ausgang wird dann direkt von der Lochrasterplatine zur zusätzlichen Cinch-Buchse geführt.
Wenn man sauber arbeitet, dann fällt die zusätzliche Buchse kaum auf.
Es gibt verschiedene Versionen des ZX Spectrum 128k. In meiner früheren aktiven Zeit hatte ich ein Modell, wo die RS-232/MIDI Schnittstelle als Sub-D-Buchse ausgeführt war. Diese war zwar nicht normgerecht beschaltet, hatte aber den großen Vorteil, dass passende Stecker erhältlich waren. Hingegen braucht man für das Keypad einen seltsamen 6-poligen Steckverbinder, den man anscheinend nirgendwo bekommt.
Heute besitze ich einen ZX Spectrum 128k, bei dem die Schnittstellen sowohl für RS-232/MIDI als auch für das Keypad auf solch einem seltsamen 6-poligen Steckverbinder herausgeführt wurden. Auf das Keypad kann man ja durchaus verzichten, aber die RS-232/MIDI Schnittstelle möchte ich schon gern benutzen, deshalb habe ich mich entschlossen, einen zusätzlichen Steckverbinder einzubauen.
Recht verbreitet sind die Pfostensteckverbinder im 2,54 mm Raster und so fiel die Wahl auf einen solchen 10-poligen Stecker. Der bietet nicht nur Platz für die RS-232/MIDI-Signale, sondern auch für
alle Keypad-Anschlüsse sowie Masse und +12V.
Hier ist die gleiche Stelle von unten zu sehen. Die Verbindungen vom RS-232/MIDI Port zum neuen Steckverbinder wurden mit 0,3mm Kupferlackdraht hergestellt.

So sieht dann der Anschluss im geschlossenen Gehäuse aus. Natürlich wäre der Anschluss besser an der linken Seite oder hinten aufgehoben, aber hier hatte der vorherige Besitzer bereits ein hässliches
Loch hinterlassen.
Die Anschlussbelegung kann man folgender Tabelle entnehmen, vielleicht etabliert sich ja ein neuer Standard :-)
Anschluss neu | Anschluss alt | Funktion | Richtung |
---|---|---|---|
1 | Keypad [2] | Spectrum → Keypad | |
2 | Keypad [3] | Spectrum ← Keypad | |
3 | Keypad [4] | Spectrum → Keypad | |
4 | Keypad [5] | Spectrum ← Keypad | |
5 | RS-232 [2] | RXD | Spectrum ← Gerät |
6 | RS-232 [3] | TXD | Spectrum → Gerät |
7 | RS-232 [4] | CTS | Spectrum ← Gerät |
8 | RS-232 [5] | RTS, MIDI Out | Spectrum → Gerät |
9 | RS-232 [1] | Masse | |
10 | RS-232 [6] | +12V über 180 Ohm |
Nebenstehende Schaltung zeigt, wie man ein Adapterkabel für eine fast normgerechte RS-232 Schnittstelle herstellen kann.
Und so sieht ein MIDI-Out Kabel aus. Hier kann sowohl ein DIN-Stecker als auch eine Buchse verwendet werden. Bei der Stecker-Variante kann man direkt das MIDI Equipment anschließen (MIDI-In
verwenden). Bei Verwendung einer Buchse bzw. Kupplung wird zusätzlich noch ein Standard MIDI-Kabel benötigt. Der Widerstand ist notwendig, um den Strom für die MIDI Schnittstelle auf die zulässigen 5
mA zu begrenzen.
Obwohl man beim ZX Spectrum +2 schon einiges gegenüber den Vorgängermodellen verbessert hat, so gibt es doch noch einige Schwächen, die man beseitigen kann.

Der Transistor befindet sich hinter dem RGB-Anschluss und ist somit leicht auf der Platine zu finden.
Dieser Tipp stammt von Ingo Truppel, vielen Dank.
Teil 2: Auch hier besteht das gleiche Problem wie beim ZX Spectrum 128k - das Tonsignal von Beeper und Soundchip wird moduliert und zum Videosignal hinzugemischt, damit es
über den Modulator zum TV-Gerät übertragen werden kann. Dies führt leider zu kleinen Störungen im Videobild.
Diese Änderung sollte man allerdings nur dann durchführen, wenn man auf den TV-Ausgang (Modulator) verzichten kann. Hier werden nämlich dann keine Tonsignale mehr übertragen.
Nochmals vielen Dank an Ingo Truppel für diesen Tipp.Beim ZX Spectrum +2 gibt es einen Sound-Ausgang serienmäßig. Das ist zunächst sehr positiv, allerdings sind hier die Lautstärke-Verhältnisse zwischen den einzelnen Soundquellen sehr unterschiedlich: Der Soundchip ist viel zu leise, der Beeper zu laut und der Kassettenrecorder beim Laden eines Programms fürchterlich laut. Durch Austausch von 3 Widerständen lässt sich das aber sehr gut anpassen.

R80 ändern in 330k (für EAR)
R45 ändern in 39k (für MIC und Beeper)
R37 ändern in 3,3k (für Soundchip)
Dieses Bild zeigt einen Teil der Platine des ZX Spectrum +2. Hier sind die zu ändernden Widerstände zu sehen und die Lötpunkte zusätzlich mit einem roten Punkt markiert.
Links: R37 in 3,3k ändern
Rechts: R45 in 39k ändern
1. Anschluss-Buchsen
Als ich meinen ZX Spectrum +2 erstmals angeschlossen und in Betrieb genommen hatte, fielen mir die wackeligen Buchsen auf. Das betraf hauptsächlich die beiden Joystick-Anschlüsse, den RGB-Anschluss und die beiden Buchsen für RS-232 und Keypad. Besonders bei den Joysticks, die sich nur mit relativ hohem Kraftaufwand stecken und ziehen lassen, muss man damit rechnen, dass die Konstruktion nachgibt und dabei auch die Kontakte abreißen.Also habe ich meinen (bereits mehrfach erwähnten) Zweikomponenten-Kleber zum Einsatz gebracht und alle betroffenen Buchsen auf der Hauptplatine festgeklebt. Somit kann man die Buchsen auch sehr gut als Träger für weitere Anschlüsse oder Bedienelemente verwenden, wie man weiter unten noch sehen kann.
2. Joystick-AnschlüsseIrgendwie gelang es mir nicht, meinen alten Spectravideo Joystick am ZX Spectrum +2 ans Laufen zu bekommen. An beiden Ports funktionierte immer nur eine Richtung. Sollten etwa die Joystick-Ports defekt sein? Nein, alles in Ordnung. Amstrad hat die Anschlussbelegung geändert und somit passen alle Joystick-Klassiker nicht mehr ohne einen Adapter an den ZX Spectrum +2. Da ich neben dem Spectravideo auch noch andere Joysticks und Interfaces mit der alten Belegung habe, entschloss ich mich, die Joystick-Ports am ZX Spectrum +2 zu ändern.
Zunächst habe ich alle Verbindungen zu den Joystick-Buchsen unterbrochen. Den Port 1 habe ich dann als Cursor-Joystick neu verdrahtet. Weiterhin wurde eine kleine Platine mit einem Kempston-Interface aufgebaut, diese am ungenutzten Befestigungsloch des RGB-Anschlusses angeschraubt und der Port 2 als Kempston-Joystick verdrahtet. Zusätzlich habe ich noch +5V auf beide Buchsen gelegt, damit auch Joysticks mit eingebauter Elektronik benutzt werden können. Diese Änderung habe ich hier nicht dokumentiert, da sie doch recht aufwändig und knifflig ist.3. RS-232 und Keypad
Für diese beiden Steckverbinder gilt das Gleiche wie beim ZX Spectrum 128k und dort habe ich bereits die Installation eines neuen Steckverbinders ausführlich beschrieben. Beim ZX Spectrum +2 ist die Erweiterung etwas einfacher, da die beiden Buchsen auf der Platine nebeneinander liegen und der neue Steckverbinder z.B. einfach auf die Keypad-Buchse aufgeklebt werden kann (siehe Bild weiter unten).4. ROM-Umschaltung
Das ROM des ZX Spectrum +2 wurde gegenüber dem ZX Spectrum 128k geändert. Man sieht das zum einen an den geänderten Copyright-Meldungen (Amstrad anstatt Sinclair) und zum anderen am Fehlen des Tape Testers im Hauptmenü. Ob noch weitere Dinge geändert wurden, konnte ich noch nicht herausfinden, zumindest sind viele Adressen (z.B. von den RS-232 Routinen) verschoben.Für den Fall, dass Probleme mit der Kompatibilität auftreten, habe ich das originale ROM entfernt und durch ein 27C512 EPROM ersetzt. Dieses hat die doppelte Speicherkapazität (64kB) und bietet damit Platz für den Inhalt des originalen Amstrad-ROMs sowie den Inhalt des ROMs vom ZX Spectrum 128k. Mit einem zusätzlichen Umschalter, der auf die RS-232/MIDI Buchse geklebt wurde, kann man zwischen beiden Systemen wechseln. Auch diese Modifikation habe ich hier nicht dokumentiert, da der Nutzen vermutlich relativ gering ist.
Und so sieht jetzt die Platine meines ZX Spectrum +2 nach allen Umbauten aus:
